Pouducts
Your are here: Home >> Products >>Single Flange Butterfly Valve
Single flange butterfly valve is widely used in water system, sewage system, air condition system, chemical industry, pulp factory, power supply, medicine industry, petroleum area and other systems for closing and adjustment.
Directory
- Structure of Single Flange Butterfly Valve
- Technical Parameters of Single Flange Butterfly Valve
- Single Flange Butterfly Valve Finished Picture
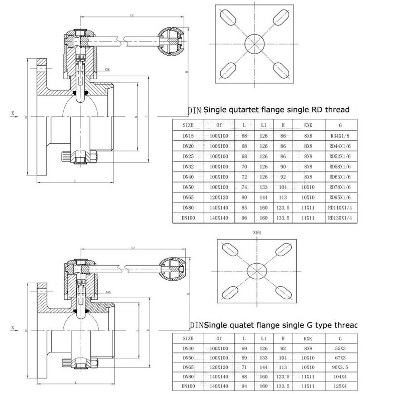
Structure of Single Flange Butterfly Valve
Technical Parameters of Single Flange Butterfly Valve
| Product Name: | Stainless steel manual single quatet flange single thread butterfly valve with pull handle |
| Valve Body Material: | 1.4404/1.4301, SS304/SS316L |
| Seal Material: | EPDM (standard) FPM/SILICON/NBR, FDA177.2600 |
| Mex working pressure: | 10Bar |
| Max. Working Temperature: |
120 degree C |
| Availably size: | DN40-DN100 |
| Availably connection: | Clamp / weld / thread/ weld thread/ flange |
| Availably standard: | 3A/DIN/SMS/RJT/ISO/IDF |
| Operated: | Manual,Pneumatic, Electric |
| Control: | Sensor, C-TOP, C-top controller(AS-I) |
| Certificate: | ISO, PED/97/23/EC, FDA.177.2600 |
| Handle application: | Two-position handle, three-position handle, four-position pull handle, multi-position plastic handle and multi-position stainless steel handle |
| Application scope: | Dairy,food, beverage, pharmacy, cosmetic, Chemical, etc |
| Packaging Details: | Bubble pack for each valve. Outside packing are carton or plywood cases. Or as per the request of customers. |
| Delivery details: | Usually within 20 days after receiving T/T down payment. |
Single Flange Butterfly Valve Finished Picture

Add:33 Tangkang Road, Yuhang District, Hangzhou City, China
Tel : +86-571-86578098
Fax : +86-571-81604276
E-mail : manager@hhmachine.cn
QQ:2355663251 Phone/Wechat/Whatsapp:
+86 15268116877

Skype: huihemachine
QQ:2355663252
MSN:huihemachine@outlook.com












